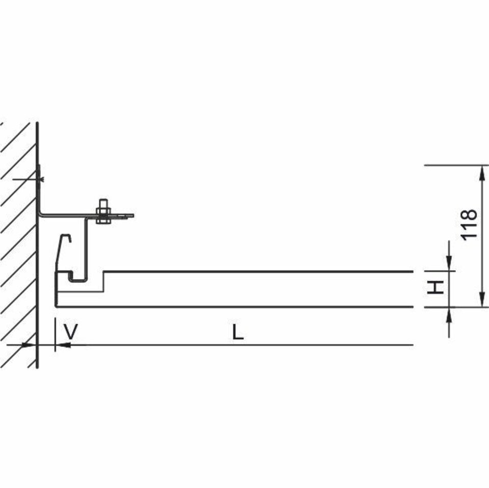
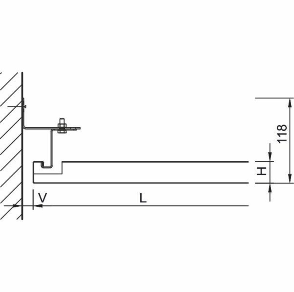
Diese Deckenkonstruktion bietet eine verdeckte Einhängekonstruktion mit Schattenfuge für den Flurbereich. Die Deckenplatten werden in den verstellbaren Wandanschluss eingehängt – so ist es jederzeit möglich, Toleranzen an der Wand auszugleichen. Für Revisionszwecke kann jede Deckenplatte abgenommen oder abgeklappt und verschoben werden, ganz ohne Werkzeuge.
Arbeit: Rechenzentren und Daten Center, Technikräume
Gesundheit: Kliniken und Krankenhäuser, Labore & Forschung, Reinräume (Pharmazie und Medizintechnik)
Bildung: Forschungsräume
Transport: Flughäfen, Bahnhöfe
Hotels und Gastronomie: Hotels und Resorts
Geschäfte, Freizeit und Kultur: Schwimmbäder, Stadien und Arenen
Industrie: Labore & Forschung, Reinräume (Elektronik und Halbleitertechnik)
Öffentliche Einrichtungen

