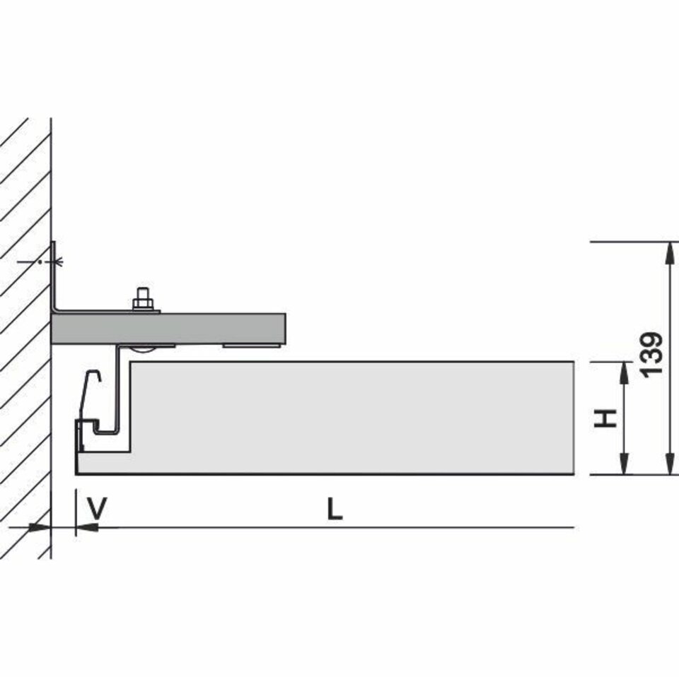
The ceiling elements of this fire ratedceiling can be removed or swung down and slid without the need for any tools. No additional ceiling void is necessary for maintenance works. Moreover, up to three ceiling elements can be moved together to facilitate maintenance works. Tolerances on the wall can be compensated. Lockable elements are available for areas with increased safety requirements.
Healthcare: Clinics and Hospitals, Laboratories and Research Facilities
Work: Data Centres and IT facilities, Utility Rooms
Businesses, Recreation and Culture: Places of Assembly
Public Areas: Escape Routes
Education: Research Rooms
Industry: Laboratories and Research Facilities
Hotels and Gastronomy: Hotels and Resorts
Public Institutions

